
Ruy Barbosa
História
Construído nos estaleiros da Bremer Vulkan, em Bremen-Vegesack, Alemanha, o navio foi lançado à água em 29 de abril de 1913 e entregue à empresa Hamburg Südamerikanische Dampfschifffahrts-Gesellschaft A/S & Co. KG, com sede em Hamburgo, no dia 21 de junho, recebendo o nome Bahia Laura.
Destinava-se às rotas transatlânticas entre a Alemanha e países da América do Sul, transportando simultaneamente carga e passageiros. A sua viagem inaugural teve início a 11 de julho do mesmo ano.
Em agosto de 1914, devido ao eclodir do conflito na Europa — a Primeira Guerra Mundial —, o navio refugiou-se no porto de Pernambuco, no Brasil.
Mais tarde, a 1 de junho de 1917, foi um dos cinco navios alemães confiscados pelo governo brasileiro como compensação pelo afundamento de navios brasileiros por submarinos alemães. Foi registado no porto do Rio de Janeiro, rebatizado com o nome Caxias e colocado ao serviço da Companhia de Navegação Lloyd Brasileiro.


Em 1923 mudou de nome para Ruy Barbosa, em homenagem a um ilustre politico, jurista, escritor e intelectual, o Maior Brasileiro da História, que havia falecido nesse ano.
Em 1927 passou para a propriedade da Companhia de Navegação Lloyd Brasileiro, onde operava as linhas Sul do Brasil e Norte da Europa.
Especificações
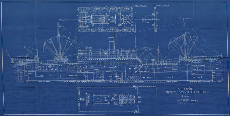
- Comprimento: 149.90 metros
- Boca: 18 metros
- Pontal: 10.85 metros
- Arqueação bruta (TAB): 9.491 toneladas
- Arqueação liquida (TAL): 6.172 toneladas
- Propulsão: 2 motores a vapor, sistema twin-screw, com 6 cilindros
- Potência: 602 NHP; entre 3.000 a 4.000 HP
- Velocidade: 12,5 m/h
- Lotação: 650 passageiros (125 eram tripulação)


A última escala
No dia 31 de julho de 1934, pelas cinco da tarde, navegava rumo a Leixões, com o mar calmo, o paquete Ruy Barbosa. Já próximo do destino, formou-se uma densa camada de nevoeiro, que levou o paquete a desviar-se da sua rota, encalhando próximo da costa, em frente à praia da Memória, um pouco a sul da Ínsua Velha.
O Ruy Barbosa zarpara de Hamburgo, com escalas em Roterdão, Antuérpia (Anvers), Le Havre e, por fim, Vigo, a última antes de Leixões, onde o aguardavam cerca de 240 pessoas para embarcar.
Nessa viagem, seguiam a bordo cerca de 100 judeus, o primeiro grupo de refugiados que fugia da Alemanha nazi com destino ao Brasil. Nos seus porões, o navio transportava aproximadamente 2 000 toneladas de carga, igualmente destinadas a portos brasileiros.
Imediatamente após o encalhe, soou a sirene de bordo, alertando alguns pescadores que se encontravam nas proximidades e que prontamente se deslocaram ao local. A praia encheu-se de populares, atraídos pelo som da sirene e pela curiosidade em torno da situação.
Um dos pescadores subiu a bordo e foi informado de que não havia perigo iminente e de que o navio aparentava não ter água aberta, o que indicava não ter sofrido qualquer rombo no casco.
Assim que a notícia se espalhou, partiram de Leixões rebocadores e embarcações de salvamento para prestar auxílio.
Pelas sete da tarde, passageiros e tripulação abandonaram o Ruy Barbosa e seguiram para Leixões a bordo dos salva-vidas e rebocadores, com exceção de quarenta homens, que permaneceram a bordo à espera da maré alta, na esperança de recolocar o navio a flutuar.
A operação de recolha dos náufragos do navio decorreu sem incidentes nem vítimas humanas a lamentar, sendo que a única vítima a registar foi o gato de bordo.
Com a azáfama da operação, o animal ficou esquecido no navio — ou talvez não se tenha deixado apanhar a tempo. Acabou por morrer, eventualmente, de fome, e o seu corpo viria mais tarde a dar à praia.
Durante a noite verificou-se a entrada de água nos porões e na casa das máquinas. No dia seguinte, dois mergulhadores do porto de Leixões confirmaram a existência de um rombo com cerca de quatro metros no lado de bombordo. Já nada havia a fazer — o custo da operação de resgate do paquete seria elevadíssimo e não compensava. O Ruy Barbosa foi, assim, dado como perdido.

Nos dias seguintes, procedeu-se à recuperação da carga que o navio transportava nos porões. O Ruy Barbosa foi então abandonado à mercê do mar, que o foi desfazendo lentamente ao longo do tempo.
O Ruy Barbosa nos nossos dias

Os destroços do paquete encontram-se espalhados no fundo do mar, a uma profundidade que varia entre sete e dez metros. Naquele local, é frequente haver movimentos de areia, pelo que, de um ano para o outro, as chapas do cavername e outros elementos podem ficar mais ou menos expostos.
Para além do cavername, é possível identificar as caldeiras, a âncora e o hélice.
Embora não seja um naufrágio impressionante, a fauna marinha é abundante, e um mergulho no Ruy Barbosa é também um mergulho na História do século XX.

